Ansteuerung Endröhren - Radiomuseum

Direkt zum Seiteninhalt

Hauptmenü:

Ansteuerung Endröhren

DIY Selbstbau
Ansteuerung großer Senderöhren – Vollständiger Praxisleitfaden (AB1/AB2/B2)

Bei großen Senderöhren wie 833A, RS‑1007, GU‑81 oder 3‑500Z entscheidet die Art der Ansteuerung über Klang, Stabilität und Lebensdauer. In AB1 bleibt das Steuergitter stets negativ – der Treiber liefert Spannung. In AB2/B2 wird das Gitter zeitweise positiv; es fließt Gitterstrom, und der Treiber muss echte Leistung liefern.[RCA TT‑3, S.21–22] Diese Grenze markiert den Übergang vom spannungs- zum leistungsgetriebenen System und erfordert eine sorgfältige Auslegung von Treiber, Übertrager und Bias‑Versorgung.

Physikalischer Hintergrund

Abb. 1 – Gitterstrom‑Kennlinie und Übergang von AB1 zu AB2; positiver Stromflussbereich markiert (RCA TT‑3, 1957).

Solange das Gitter negativ bleibt, verhält es sich hochohmig; die Eingangskapazität bestimmt das Ladeverhalten (Miller‑Effekt). Sobald die Gitterspannung die Null überschreitet, werden Elektronen aus der Kathode angezogen – Gitterstrom fließt. Die Eingangsimpedanz sinkt dabei auf wenige Kiloohm oder weniger. Ohne ausreichend niederohmige Ansteuerung entstehen Gitterverzerrungen, die sich direkt im Ausgang bemerkbar machen.[RCA TT‑3, S.22–23]
Wichtig: In AB2 zählt nicht die Höhe des Spannungshubs allein, sondern die Fähigkeit, kurzfristig Strom zu liefern.

Drei praxisnahe Ansteuerverfahren

1. Interstage‑Übertrager (Gegentakt → Gegentakt)
Der klassische Ansatz nach RCA: Ein symmetrischer Treiber speist einen Interstage‑Übertrager. Das Übersetzungsverhältnis wird so gewählt, dass die Primärseite einen größeren Spannungshub liefert, während die Sekundärseite dafür mehr Strom abgeben kann. RCA nennt ein Verhältnis zwischen 1:1 und 5:1 als praxistauglich.[RCA TT‑3, S.23] Der Übertrager dient zugleich der galvanischen Trennung, Symmetrierung und Anpassung der Gitterimpedanz. Geringe Leckinduktivität, niedrige Streukapazität und ein ausreichend dimensionierter Kern sind Voraussetzung, um Verzerrungen bei hohen Frequenzen zu vermeiden.
Praxisnotiz: RCA beschreibt Interstages oft ohne Gleichstromanteil, da deren Studiotrafos keinen Luftspalt besaßen. In der Praxis – etwa bei 833A‑, 211‑ oder GU‑81‑Treibern – ist eine Vormagnetisierung bis etwa 20–40 mA bei vorhandenem Luftspalt jedoch völlig unkritisch. Sie stabilisiert den Kernarbeitspunkt, kompensiert geringe Asymmetrien zwischen den Röhren und verbessert die Linearität bei kleinen Pegeln. Voraussetzung: Der Kern läuft bei maximalem Audiosignal deutlich unterhalb der Sättigung.
Hinweis: Im Gegensatz zu Ausgangsübertragern darf der Interstage nur kleine Gleichstromvormagnetisierungen aufweisen – daher Push‑Pull‑Treiber mit symmetrischem Aufba oder aber Luftspalt für ma.x 40mA DC Vorbelastung.

2. Kathoden‑ oder Source‑Follower
Der moderne Ansatz setzt auf aktive Impedanzwandlung. Röhren‑Kathodenfolger (z. B. 6BX7, 5687, ECC99) oder MOSFET‑Source‑Follower stellen eine Ausgangsimpedanz im unteren Kiloohmbereich bereit. Dadurch lassen sich selbst positive Gitterströme ohne Spannungseinbruch treiben. MOSFET‑Follower liefern eine besonders niedrige Zout, benötigen aber Schutzbeschaltungen (Gate‑Stopper, Zener, RC‑Snubber) und saubere Masseführung.

3. Hybride Kombination
Im Museumseinsatz und bei Restaurierungen bewährt sich eine Kombination aus beidem: Ein Interstage liefert Spannung und Symmetrie, ein nachgeschalteter Follower liefert Strom. So erhält man Stabilität und geringe Verzerrung zugleich.
AspektInterstage (Step‑Down)Follower Strom in AB2Sehr gut (durch Übersetzung)Sehr gut (durch niedrige Zout) SymmetrieExzellent (PP→PP)Vom Phasensplitter abhängig HF‑StabilitätUnkritischSorgfältiges Layout nötig AufwandTeurer, Trafo nötigEinfacher, aber aktive Bauteile nötig
Dimensionierung
Für eine 833A im AB2‑Betrieb beträgt der erforderliche Gitterhub ±200 – 300 V. Mit einem 1:2,5‑Step‑Down‑Übertrager sinkt der sekundäre Spannungshub, dafür steigt die Stromlieferfähigkeit – ideal für positive Gitterspannungen. Der Follower‑Ansatz wird anhand der Eingangsimpedanz dimensioniert: Zout ≪ |XC| = 1/(2πf·Cin). Bei 150 pF und 20 kHz beträgt |XC| ≈ 53 kΩ; Zout sollte unter 1 kΩ liegen.[RCA TT‑3, S.22–23]
Die erforderliche Treiberleistung ergibt sich aus der positiven Gitterkennlinie. Näherung: Pdrive ≈ Vg,rms2/Req. Große Trioden können zweistellige Wattzahlen fordern – ein Grund, warum AB2‑Endstufen oft kräftige Treiberstufen benötigen.[RCA TT‑3, S.21–23]

Bias, Schutz und Betriebssicherheit
RCA betont die Wichtigkeit stabiler Versorgungsspannungen und empfiehlt für hohe Leistungen Quecksilberdampf‑Gleichrichter wegen der exzellenten Spannungsregulierung. In AB2‑Schaltungen muss die Gittervorspannung „fail‑safe“ ausgelegt sein: Fällt sie aus, darf keine positive Gitterspannung anliegen. Grid‑Stopper (100 – 1000 Ω) nahe der Fassung verhindern HF‑Schwingungen; Gitterableitwiderstände bleiben klein, um Restladung schnell abzuleiten. Hochspannung sollte erst nach Heizverzögerung zugeschaltet werden – z. B. über ein Bimetall‑ oder Relais‑Zeitglied.

Kern der Sache: AB1 braucht Spannung, AB2 braucht Spannung und Strom. Die beste Lösung ist jene, die die Gitterspannung bis in den positiven Bereich unverformt hält.
Belege aus RCA TT‑3
  • „…grids of the amplifier tubes positive … and still obtain virtually undistorted output…“ – S. 22
  • „…input transformer … step‑down ratio … may range between 1 to 1 and 5 to 1.“ – S. 23
  • „…driver stage should be capable of giving a power output considerably larger…“ – S. 23
  • „…a balanced push‑pull circuit … harmonic distortion can be kept sufficiently low.“ – S. 22


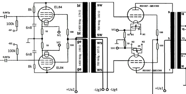
Praxisbeispiel RS‑1007 Treiberstufe
Das folgende Foto zeigt den praktischen Aufbau der RS‑1007‑Endstufe im Museumsbetrieb. Der Treiber arbeitet mit Interstage‑Übertrager (2:1  Step‑Down)  um positive Gitterströme bis
 +20 mA linear treiben zu können. Diese Schaltung liefert ähnliche hohe Gitterströme wie die heutigen  Hybridkonzepte mit MOSFET. Vollröhre war aber das Ziel und die beiden EL84 und liefern
eine saubere, stabile Ansteuerung im AB2‑Bereich bis etwa ±250 V Gitterhub.


Abb. 2 – Praktischer Aufbau der RS‑1007‑Endstufe mit Interstage‑Trafo und Gitterstrom‑Treiber (Vormoor 2024).


Quellen & Literatur
  • RCA Technical Manual TT‑3, Kapitel „Transmitting‑Tube Application“ & „Class A/AB/B Audio Amplifiers“, 1957, S. 19 – 24.
  • Philips Industrial Rectifying Tubes, 1957, S. 23 – 26 (Vollwellen‑Brücke; Anmerkungen zur Zeitverzögerung).
  • Telefunken Röhrenhandbuch, Ausgaben 1955 – 1960 (Hinweise zu Leistungsendstufen im AB‑Betrieb).
  • Mullard / Amperex / Philips Datenblätter 833A, 3‑500Z, GU‑81 (Ansteuerung in AB2, Gitterstrom‑Kennlinien).
  • Eigene Messungen & Rekonstruktionen (Vormoor‑Archiv, 2022 – 2025): 833A‑PP‑Prototyp, RS‑1007‑Modul, GU‑81‑Testaufbau (Step‑Down 1:2,5; MOSFET‑Follower).
© 2025 Dr. Ing. N. Vormoor – Fachliche Zusammenfassung & paraphrasierte Übersetzung aus RCA TT‑3 und ergänzender Literatur.

 
Zurück zum Seiteninhalt | Zurück zum Hauptmenü