833A Single End Amplifier - Radiomuseum

Direkt zum Seiteninhalt

Hauptmenü:

833A Single End Amplifier

DIY Selbstbau


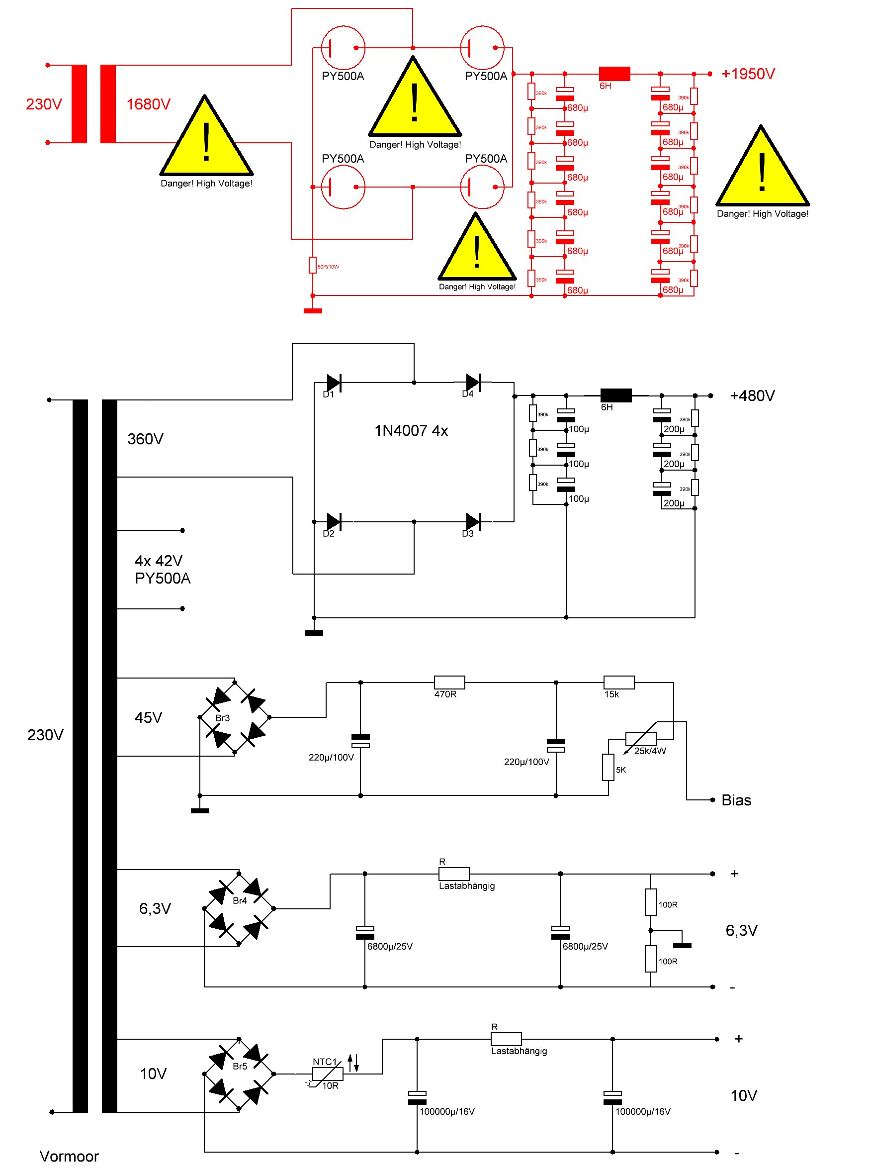
2x 400W Ringkerntrafo Netzteil, 4x PY500A Vollweg-Gleichrichter für die Anodenspannung von 1850V der 833A, 10H HV-Drossel mit Siebkette 12x 680uf/450V; Ruhestrom 140mA pro 833A Endröhre; 
KT88 Treiber Ruhestrom 40mA mit Interstage Schaltung und 450V Anodenspannung;
6,3V Gleichspannungsheizung für Vorstufe und Treiberstufe sowie 10V/10A Gleichspannungsheizung und Symmetriepotentiometer für die Direktheizung der 833A, Kapazität 90.000uF für 10V Heizung;
Kurzzeitiger A2 Betrieb der 833a über den Interstage möglich; für höhere Ausgangsleistung durch direkt angekoppeltes Gitter der Endröhre;

Ausgangsleistung 135W RMS Single End, Ra prim. 10kOhm, sek. 4 und 8 Ohm
 
 


Potis zum Einstellen der Ruhestroms

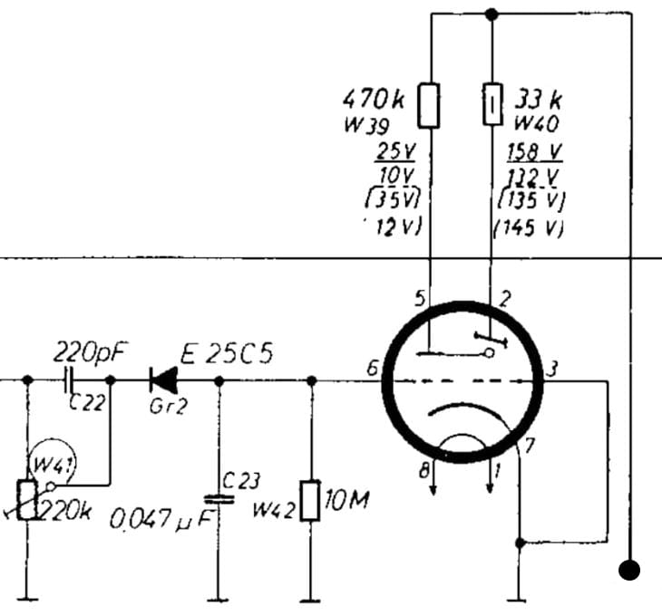
 Schaltbild zur Verstärkerschaltung


Schaltbild zum Netzteil

Eigener Entwurf des Platinenlayouts

Testvideos
 

Der Verstärker wurde um die Klangregelvorstufe ergänzt.
 
 
 
 


 Schaltbild der Klangregelung

Leider wird in diesem Video die Bassanhebung nicht besonders gut wiedergegeben.

Eine weitere Ergänzung mit
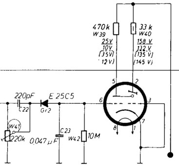
dem Magischen Auge EM71

Schaltbild zur EM71-Ergänzung

EM71 als Aussteuerungsanzeige
 
 
Zurück zum Seiteninhalt | Zurück zum Hauptmenü